me podrian facilitar el diagrama completo del sistema de ventilacion de emicion evaporativo de un chevrolet colorado 2006 motor 3.5 lts 5 cilindros ??
Por Anónimo, 2 Febrero, 2024
tengo una mangueras rotas de este sistema de evaporacion de gases y necesito reponerlas porque una de ellas ya no esta en su lugar y quiero ver de donde a donde conectar
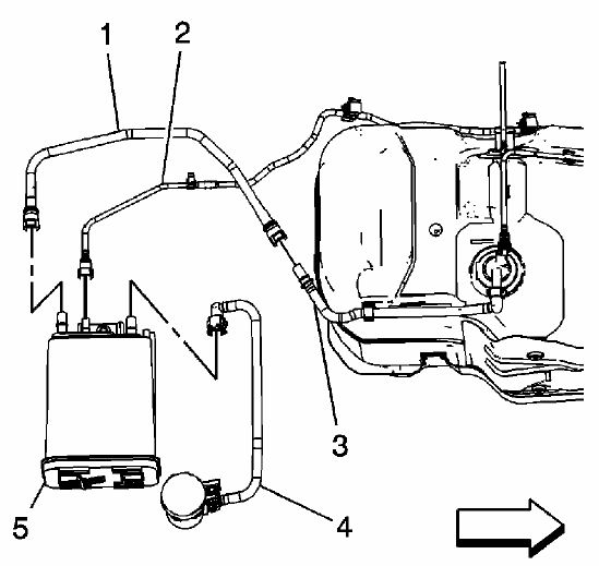
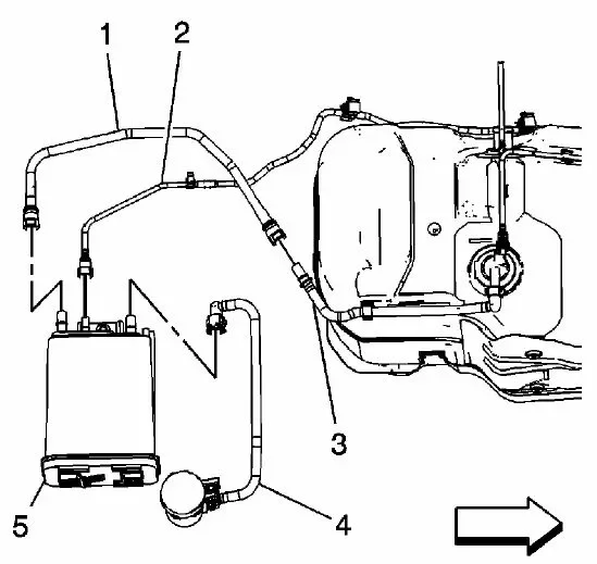
Hola amigo, es super dificil conseguir un diagrama del sistema de evaporación de la Chevrolet Colorado 3.5L de 5 cilindros. Te comparto el único que tengo disponible.
Comentarios1
Hola amigo, es super dificil…
Hola amigo, es super dificil conseguir un diagrama del sistema de evaporación de la Chevrolet Colorado 3.5L de 5 cilindros. Te comparto el único que tengo disponible.
Espero que te sirva. Saludos.