Hola sí me podrían decir por favor para que sirven estos aparatitos a los que se conectan algunas mangueras que salen del carburador nissan sentra ga16ds. adjunto imágenes para su apreciación.
Heee bien maestro gracias sino es molestia me dices que aros y llantas le puedo poner a mi b13 para alzar un poco la suspensión para que no roce mucho en los rompe velocidades. Buen día
Hola gino, si deseas ponerle aros deportivos, los aros de 17" le quedan bien pero en los rompe velocidades vas a tener que frenar. Si quieres manejar cómodo, los aros/llantas originales son excelente: aro 13" ó 14" con llantas 175/70.
buenas ... tengo casi que todas las mangueras del carburador desconectadas me podria decir donde tengo que conectarlas gracias mi motor es un ga16ds automatico 16valvulas
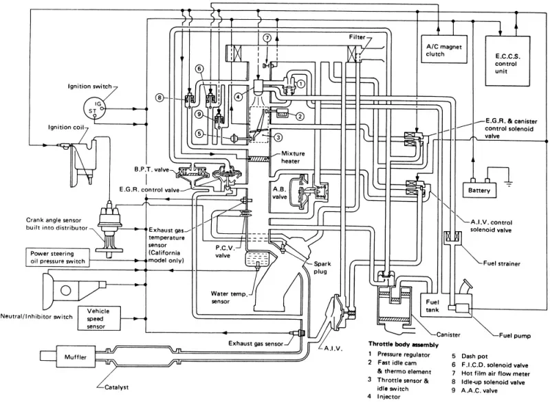
Hola amigo, te dejo un diagrama de vacios que tengo para el Nissan GA16. Quizás no sea 100% específico para tu auto pero te va a servir mucho. Espero que así sea.
muchas gracias de antemano es una informacion muy valiosa (este diagrama es para un motor inyectado), pero el diagrama que necesito es para un sentra motor GA16 año 1995 de carburador
Hola amigo de valvulita... tengo un problema con mi Nissan Sunny del 93 el motor no tiene la conexion original de las mangueras de vacio, podria ayudarme a conseguir un diagrama? el motor es un GA15, de 12V. de antemano gracias...
Comentarios10
Re: Mangueras de aire
Hola amigo, esas mangueras hacen que funcionen los diafragmas y cámaras del carburador de forma correcta. Sugiero que no se de ocurra desconectarlos.
Re: Mangueras de aire
Heee bien maestro gracias sino es molestia me dices que aros y llantas le puedo poner a mi b13 para alzar un poco la suspensión para que no roce mucho en los rompe velocidades. Buen día
Re: Mangueras de aire
Hola gino, si deseas ponerle aros deportivos, los aros de 17" le quedan bien pero en los rompe velocidades vas a tener que frenar. Si quieres manejar cómodo, los aros/llantas originales son excelente: aro 13" ó 14" con llantas 175/70.
Re: Mangueras de aire
buenas ... tengo casi que todas las mangueras del carburador desconectadas me podria decir donde tengo que conectarlas gracias mi motor es un ga16ds automatico 16valvulas
Re: Mangueras de aire
Hola amigo, te dejo un diagrama de vacios que tengo para el Nissan GA16. Quizás no sea 100% específico para tu auto pero te va a servir mucho. Espero que así sea.
buenas amigo .. me gustaria
buenas amigo .. me gustaria saber exactamente donde van conectadas esas 4 mangueritas de la imagen ... gracias
Hola amigo, el diagrama de
Hola amigo, el diagrama de vacios del Nissan GA16DS está aqui: http://www.valvulita.com/web/comment/7090#comment-7090 Espero que te sirva.
muchas gracias de antemano es
muchas gracias de antemano es una informacion muy valiosa (este diagrama es para un motor inyectado), pero el diagrama que necesito es para un sentra motor GA16 año 1995 de carburador
Hola amigo de valvulita...
Hola amigo de valvulita... tengo un problema con mi Nissan Sunny del 93 el motor no tiene la conexion original de las mangueras de vacio, podria ayudarme a conseguir un diagrama? el motor es un GA15, de 12V. de antemano gracias...
Valvulita por favor envíame a
Valvulita por favor envíame a mi correo el diagrama de mangueras de vacio motor 3a Toyota corolla 1986